<< Home
Produkte
Pumpen
Pumpenserie EC
Schnelltrennkupplungen
Ventile
Tankventile
AFFCO
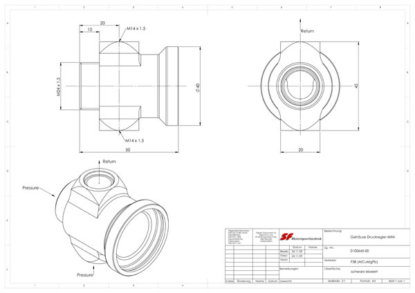
P-Regler
FCV
PCV
PRV
Filter
Hochleistungsgebläse
Lufthebesysteme
Boxenequipment
Kontakt
Impressum
Druckregler (P-Regler)
<< zurück